|
GID型-電動高真空蝶閥:
GID型電動高真空蝶閥是以電動裝置驅動閥桿與閥板執(zhí)行啟閉動作。用于接通或切斷真空管路中的氣流。適用介質為純凈空氣和非腐蝕性氣體。
GID型電動高真空蝶閥主要技術性能
| 適用范圍: |
105~1.3×10-4Pa |
| 閥門漏率: |
≤1.3×10-4Pa.L/S. |
| 適用溫度: |
-25~+80℃丁腈橡膠 -30~+150℃氟橡膠 |
| 電 源: |
220V/50Hz |
| 安裝位置: |
任意 |
GID型電動高真空蝶閥主要零件材料
閥體、閥蓋、閥桿:碳鋼或不銹鋼 密封件:丁腈橡膠、氟橡膠。
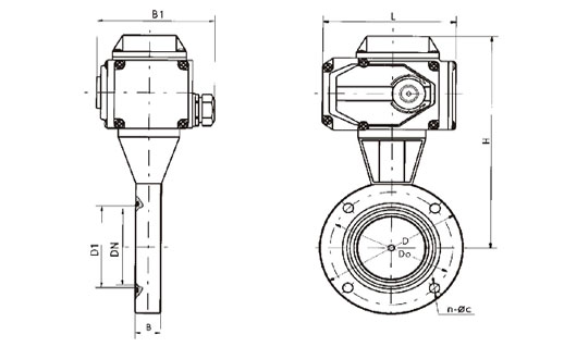
GID型電動高真空蝶閥外形及連接尺寸mmJB919
|
|
|
型號
|
DN |
D |
Do |
D1 |
B |
H |
B1 |
L |
n-φc |
|
GID-40 |
40 |
85 |
70 |
44 |
22 |
183 |
139 |
157 |
4-φ7 |
|
GID-50 |
50 |
110 |
90 |
55 |
22 |
195 |
139 |
157 |
4-φ7 |
|
GID-65 |
65 |
125 |
105 |
70 |
26 |
203 |
139 |
157 |
4-φ9 |
|
GID-80 |
80 |
145 |
125 |
85 |
30 |
213 |
139 |
157 |
4-φ9 |
|
GID-100 |
100 |
170 |
145 |
105 |
30 |
231 |
139 |
157 |
4-φ12 |
|
GID-150 |
150 |
220 |
195 |
156 |
35 |
251 |
139 |
157 |
8-φ12 |
|
GID-200 |
200 |
275 |
250 |
208 |
40 |
315 |
147 |
207 |
8-φ12 |
|
GID-250 |
250 |
330 |
300 |
258 |
45 |
343 |
147 |
207 |
8-φ14 |
|
GID-300 |
300 |
380 |
350 |
308 |
55 |
368 |
147 |
207 |
8-φ14 |
|
GID-400 |
400 |
500 |
465 |
408 |
60 |
451 |
182 |
256 |
8-φ18 |
|
GID-500 |
500 |
600 |
565 |
510 |
80 |
535 |
182<, /DIV> |
280 |
12-φ18 | | |